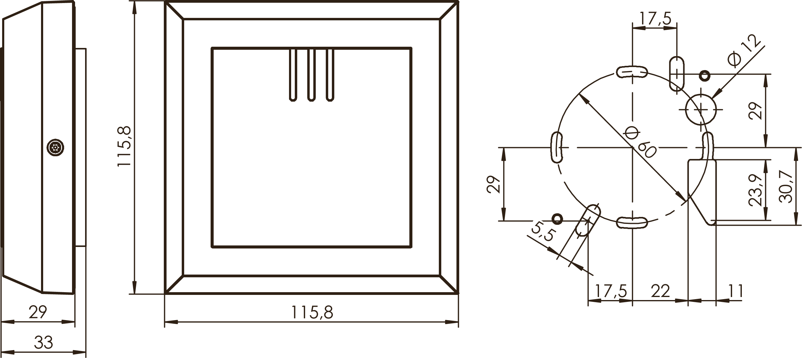
Behuizing met bescherming tegen vandalisme voor LED-lezers - SmartRelais 3-systeemCAD-download (.STEP): SREL3 Vandalismusschutzrahmen LED Leser.STEP3D-model weergeven