Afmetingen van de meenemer - Digital Cylinder AX (Z5)
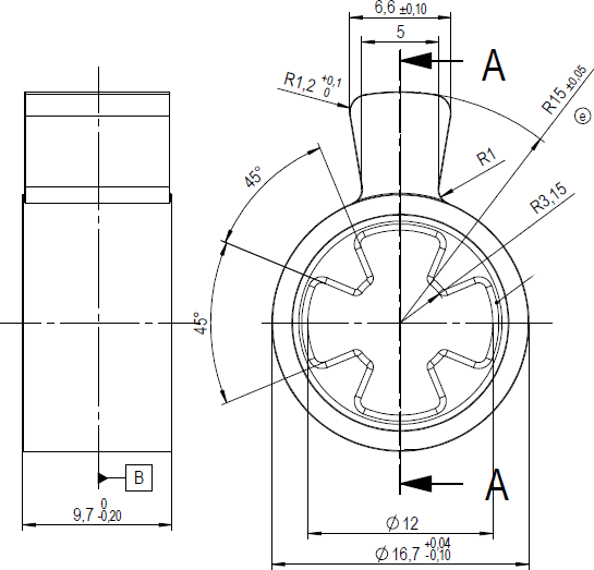
Meenemer standaard (Z5.CAM.WP)

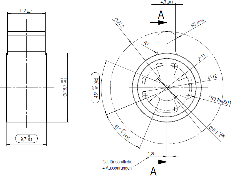
Meenemer PM1, lang (Z5.CAM.PM1)

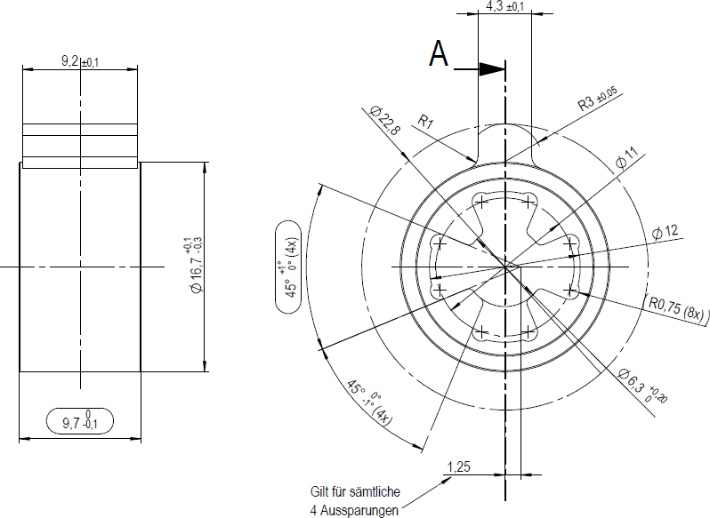
Meenemer PM2, kort (Z5.CAM.PM2)

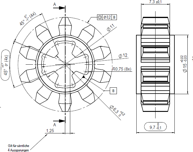
Dubbele meenemer (Z5.CAM.DOUBLE)

Meenemer tandwiel 10 tanden (Z5.CAM.GEAR10)

Module | m | 2 |
Aantal tanden | z | 10 |
Flankdiameter | d | 20 |
Meenemer tandwiel 18 tanden (Z5.CAM.GEAR18)

Module | m | 1,5 |
Aantal tanden | z | 18 |
Flankdiameter | d | 27 |