Cam dimensions - System description SVCN
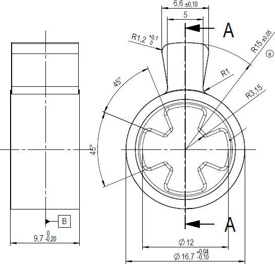
Standard CAM (Z5.CAM.WP)

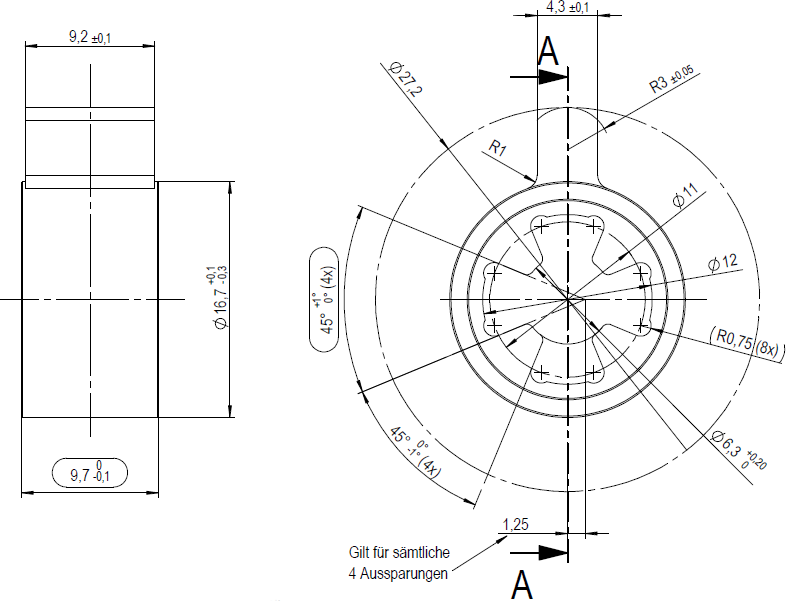
Cam PM1, long (Z5.CAM.PM1)

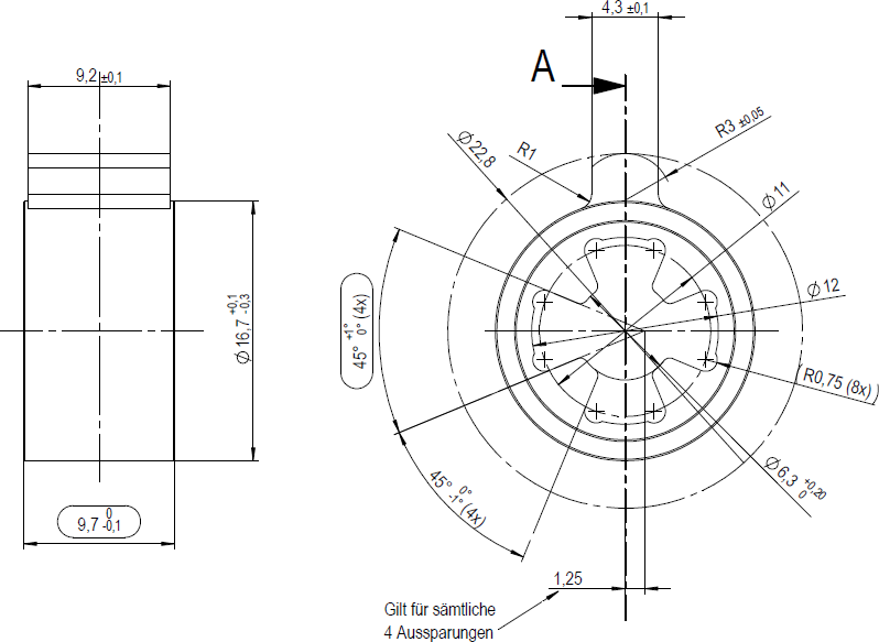
Cam PM2, short (Z5.CAM.PM2)

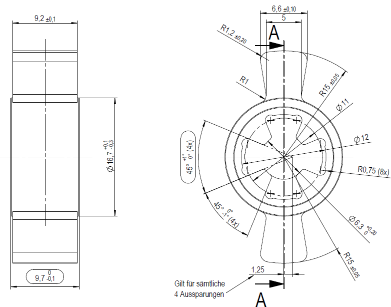
Double cam (Z5.CAM.DOUBLE)

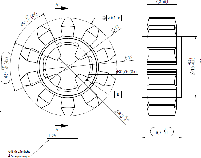
Cam gear, 10 teeth (Z5.CAM.GEAR10)

Module | m | 2 |
Number of teeth | z | 10 |
Flank diameter | d | 20 |
Cam gear, 18 teeth (Z5.CAM.GEAR18)

Module | m | 1.5 |
Number of teeth | z | 18 |
Flank diameter | d | 27 |