Abmessungen der Mitnehmer - Systembeschreibung WO
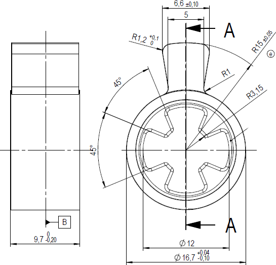
Mitnehmer Standard (Z5.CAM.WP)

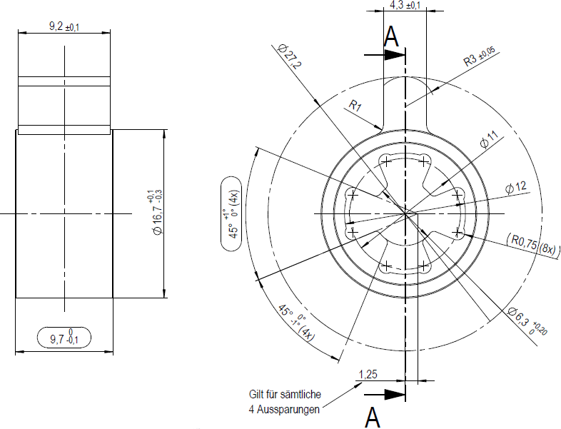
Mitnehmer PM1, lang (Z5.CAM.PM1)

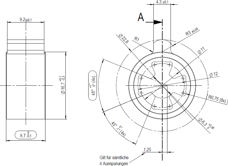
Mitnehmer PM2 ,kurz (Z5.CAM.PM2)

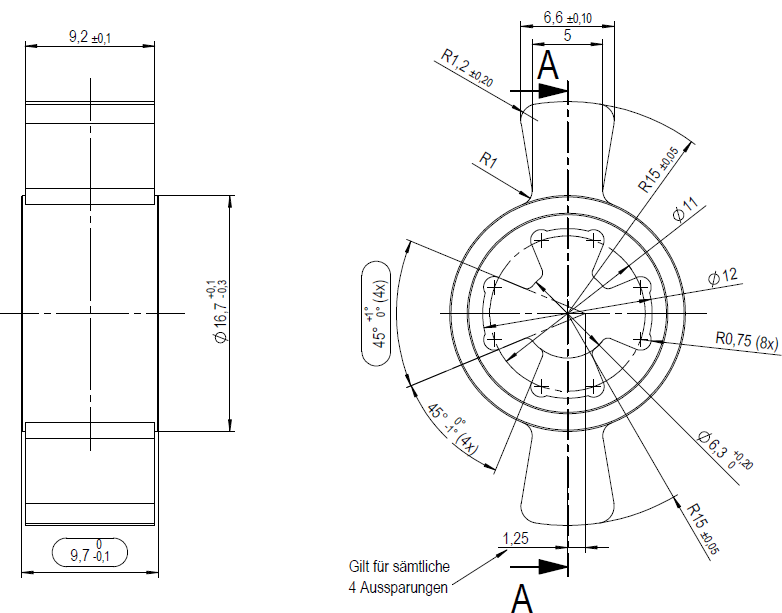
Doppelmitnehmer (Z5.CAM.DOUBLE)

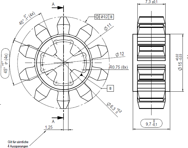
Mitnehmer Zahnrad 10 Zähne (Z5.CAM.GEAR10)

Modul | m | 2 |
Zähnezahl | z | 10 |
Flankendurchmesser | d | 20 |
Mitnehmer Zahnrad 18 Zähne (Z5.CAM.GEAR18)

Modul | m | 1,5 |
Zähnezahl | z | 18 |
Flankendurchmesser | d | 27 |